KNOTT ATK60 automatisch neuswiel met handgreep 250 kg 60 mm 785-1020 mm
- Het automatische neuswiel ATK60, met een buisdiameter van 60 mm en een maximaal draagvermogen van 250 kg, biedt stabiele ondersteuning aan de trailer wanneer deze geparkeerd staat. Het vergemakkelijkt het manoeuvreren, aankoppelen en loskoppelen, wat het
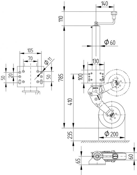
KNOTT ATK60 automatisch neuswiel met handgreep 250 kg 60 mm 785-1020 mm
Het ATK60- steunwiel van KNOTT is voorzien van een buis met een diameter van 60 mm en een totale lengte van 785 mm inclusief het wiel . Dit zorgt voor een solide, stabiele constructie en een comfortabele bediening, zelfs bij een hogere trekhaak.
Het product heeft een in de fabriek gelaste montagebeugel van 130 x 100 mm met montagegaten van 11 mm diameter. Deze oplossing maakt een extra klem overbodig, vereenvoudigt de installatie en verhoogt de duurzaamheid van de gehele verbinding.

Toelaatbare belasting
De maximaal toelaatbare belasting in geparkeerde toestand is 250 kg . Dit zorgt voor een stabiele en veilige ondersteuning van de trailer tijdens het laden, lossen en langdurig stilstaan . Een correct gekozen laadcapaciteit garandeert een betrouwbare ondersteuning van de dissel, vermindert het risico op kantelen en verbetert het comfort bij het werken rond de trailer. Het aanhouden van de maximale laadwaarden is cruciaal voor het behoud van de duurzaamheid van het mechanisme, het beschermen van structurele componenten tegen overbelasting en het garanderen van een lange en probleemloze werking van het product.

Verlenglengte
De verlenging van het neuswiel bedraagt 235 mm , wat een voldoende verstelbereik voor de disselhoogte biedt. De hoogte met het wiel uitgeschoven is 785 mm en de maximale hoogte met verlenging bereikt 1020 mm . Dit bereik maakt het mogelijk om de trailer gemakkelijk aan te passen aan verschillende bodemomstandigheden en vergemakkelijkt het aan- en afkoppelen van de trekhaak. Het juiste verstelbereik van de verlenging verhoogt het comfort en de stabiliteit tijdens het parkeren.

Volautomatisch wiel
Het neuswiel is voorzien van een volledig automatisch hefmechanisme waarmee het wiel snel en gemakkelijk in de transportstand kan worden gekanteld zonder handmatige vergrendeling. Daarnaast beschikt het over een volledig automatische steunvoet die stevig op de grond rust, wat het comfort en de veiligheid van de aanhanger verhoogt wanneer deze geparkeerd staat.

Type wiel
Het wiel van 200 x 60 mm is voorzien van een massieve rubberen band , waardoor het risico op lekke banden wordt geëlimineerd en een hoge duurzaamheid tijdens gebruik wordt gegarandeerd. De stalen velg versterkt de constructie, verhoogt de weerstand tegen belastingen en mechanische beschadigingen, en zorgt voor een stabiele en betrouwbare werking onder diverse omstandigheden.

Krukas met druklager
De krukas is voorzien van een druklager , wat het comfort aanzienlijk verbetert. Het lager vermindert de wrijving tijdens het gebruik, wat resulteert in een soepelere en lichtere krukasbeweging . Dit betekent dat het omhoog en omlaag brengen van het geleidingswiel minder kracht vereist en comfortabeler is, zelfs bij zware belasting.

Bescherming tegen corrosie
Het neuswiel is gemaakt van elektrolytisch verzinkt staal , wat zorgt voor effectieve bescherming tegen corrosie en een lange levensduur, zelfs bij intensief gebruik buitenshuis. De zinklaag beschermt de stalen onderdelen tegen vocht, strooizout en wisselende weersomstandigheden, waardoor de duurzaamheid en weerstand van de constructie tegen beschadigingen toenemen.
Een neuswiel is een praktisch accessoire voor een aanhanger dat de aanhanger stabiliseert wanneer deze geparkeerd staat en het manoeuvreren en verplaatsen van de aanhanger op een erf, oprit of camping vergemakkelijkt . Het maakt het aankoppelen en loskoppelen van de aanhanger van de trekhaak eenvoudig en zorgt voor een nauwkeurige positionering. Neuswielen zijn ontworpen om de aanhanger te stabiliseren – ze zijn niet bedoeld om een beladen aanhanger op te tillen . Ze zijn een ideale oplossing voor bagageaanhangers, boottrailers en caravans , en verhogen het comfort en de veiligheid.
Bij aankoop van elk product uit ons assortiment krijg je 2 jaar garantie. Op deze manier kun je het gebruiken zonder je zorgen te maken over de gevolgen van een eventuele storing. Met het oog op jouw tevredenheid hebben we het proces voor het indienen van een eventuele klacht zo eenvoudig mogelijk gemaakt - het enige wat je hoeft te doen is het formulier dat beschikbaar is op onze website in te vullen en op te sturen.
Heb je vragen over de keuze of het gebruik van onze producten? Neem contact met ons op! De specialisten van Unitrailer geven je graag alle informatie.












