AL-KO COMPACT geremde as voor aanhanger/takelwagen 1350kg 1700mm 2150mm 5x112
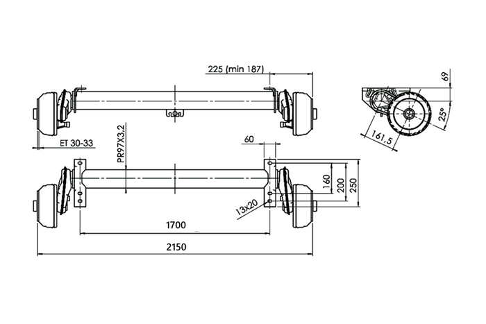
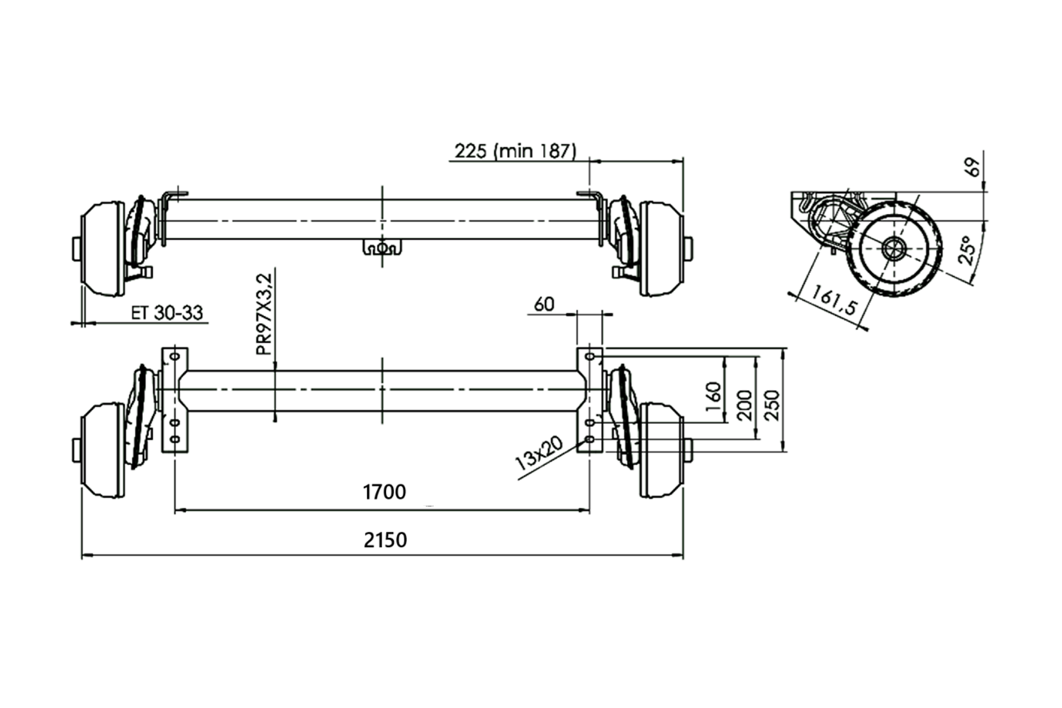
- AL-KO COMPACT geremde as ontworpen voor zware aanhangwagens en takelwagens, met een maximaal draagvermogen van 1350 kg voor een enkele as en 2700 kg voor een tandemas. De padmaat is 1700 mm, de flensmaat is 2150 mm en de steekmaat bedraagt 5x112.
AL-KO COMPACT geremde as voor aanhanger/takelwagen 1350kg 1700mm 2150mm 5x112
De geremde as van de fabrikant AL-KO is bedoeld voor zware aanhangwagens of takelwagen met een maximaal draagvermogen van 1350 kg voor een enkele as en 2700 kg voor een tandemas . De padmaat is 1700 mm, de afstand van de flensmaat is 2150 mm , waardoor eenvoudige montage op een groot aantal voertuigen mogelijk is. De steekmaat van 5x112 garandeert compatibiliteit met de meeste wielen die op de markt verkrijgbaar zijn. De lengte van de veerarm is 161,5 mm, wat zorgt voor stabiliteit en optimale demping, waardoor de rijveiligheid toeneemt, zelfs bij volledige belading.
Assen vormen het structurele fundament van elke aanhangwagen en zorgen voor de stabiliteit, duurzaamheid en voldoende schokabsorptie tijdens het transport . Ze zijn een sleutelelement voor het veilig vervoeren van een grote verscheidenheid aan ladingen. De keuze van de juiste as is belangrijk omdat deze de veiligheid, het rijcomfort en de duurzaamheid van het hele transportsysteem beïnvloedt. Voldoende schokdemping helpt de getransporteerde goederen te beschermen tegen schade, en het juiste laadvermogen zorgt voor stabiliteit tijdens het rijden, vooral in moeilijke omstandigheden.

Trailerassen – veelzijdige toepassingen
De veelzijdigheid van trailerassen betekent dat ze op een breed scala aan voertuigen kunnen worden gemonteerd, zoals vrachtaanhangers, caravans, aanhangers voor het vervoer van dieren en apparatuur . Door hun veelzijdige constructie kunnen ze worden aangepast aan verschillende transportomstandigheden, ongeacht de type lading dat wordt vervoerd. Deze assen zorgen voor stabiliteit, veiligheid en rijcomfort , waardoor ze een betrouwbare oplossing zijn voor zowel dagelijks gebruik als voor meer gespecialiseerde taken. Dankzij de mogelijkheid om extra componenten te monteren, zoals schokdempers, kunnen hun prestaties verder worden geoptimaliseerd en de trailer aanpassen aan individuele behoeften kan worden aangepast.
Onafhankelijke vering en onderhoudsvrij
Dankzij de onafhankelijke ophanging wordt elk wiel afzonderlijk gedempt , wat betekent dat oneffenheden op de weg alleen invloed hebben op de kant waar ze zich bevinden. Dit systeem is onderhoudsvrij, waardoor gebruikers kunnen besparen op service- en onderhoudskosten. Bovendien elimineert het asontwerp het risico op schade aan de wielkast en andere componenten als gevolg van overbelasting van de achterbrug, zelfs bij zware overbelasting.
Rijcomfort dankzij een geavanceerd ophangingssysteem
Moderne assen, zoals die met het AL-KO zeshoekige veersysteem met rubberen rollen, bieden aanzienlijk verbeterd rijcomfort . Grote afbuigpijlen en zachtere dempingen zorgen ervoor dat de trailer soepeler rijdt en trillingen effectief worden verminderd . In vergelijking met standaard torsieassystemen kunnen met deze ophanging oneffenheden in de weg beter worden gedempt, wat het comfort en de veiligheid voor de gebruiker vergroot.

Geavanceerd remconstructie en eenvoudig onderhoud
Het geavanceerde remconstructie omvat assen met remtrommels die zijn voorzien van koelvinnen die zorgen voor een betere warmteafvoer , wat de prestaties van het remsysteem toeneemt. Bovendien zijn de assen en remmechanismen vastgeschroefd, waardoor het volledige remmechanisme eenvoudig kan worden verwijderd wanneer de bouten worden losgedraaid, wat het onderhoud aanzienlijk vereenvoudigt. Dankzij de speciale vergrendeling kan de uitgangspositie van de remkabel ook worden aangepast aan de individuele behoeften van de gebruiker, waardoor de functionaliteit van het systeem toeneemt.

Onderhoudsvrije lagers en eenvoudige montage
De assen zijn voorzien van dubbele hoekcontactkogellagers (compactlagers), die een levensduur van 250.000 km hebben. Ze worden levenslang gesmeerd met een speciaal waterverdringend vet, dat het binnendringen van vet voorkomt. Extra beveiligingen, zoals dubbele naafafdichtingen, beschermen de mechanismen tegen water en vuil. Dankzij het gestandaardiseerde aanhaalmoment is de montage van assen snel en eenvoudig.
Optimale corrosiebescherming
Het asprofiel, het frame en de behuizing van de oploopinrichtingen zijn beschermd tegen corrosie dankzij thermisch verzinken , wat een bescherming garandeert voor een periode van 10 jaar. Stalen elementen die een hoge nauwkeurigheid vereisen, zijn gegalvaniseerd en bieden 5 jaar corrosiebescherming. Voor onderdelen met de hoogste nauwkeurigheid wordt galvanische verzinken gebruikt, waardoor ze 4 jaar lang beschermd zijn. Deze verschillende galvaniseermethoden beschermen alle componenten effectief en zorgen voor een lange levensduur en weerstand tegen invloed van externe factoren..
Bij aankoop van elk product uit ons assortiment krijg je 2 jaar garantie. Op deze manier kun je het gebruiken zonder je zorgen te maken over de gevolgen van een eventuele storing. Met het oog op jouw tevredenheid hebben we het proces voor het indienen van een eventuele klacht zo eenvoudig mogelijk gemaakt - het enige wat je hoeft te doen is het formulier dat beschikbaar is op onze website in te vullen en op te sturen.
Heb je vragen over de keuze of het gebruik van onze producten? Neem contact met ons op! De specialisten van Unitrailer geven je graag alle informatie.

















