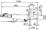
AL-KO oplooprem 2.8VB1 met AK351 kogelkoppeling 3500 kg aanhanger met vierkante dissel
- De oploopinrichting/oplooprem 2.8VB1 van AL-KO is ontworpen voor aanhangwagens met vierkante dissel van 120 mm, met een totaalgewicht van 2500 kg tot 3500 kg. Inclusief de AK 351 kogelkoppeling.
AL-KO oplooprem 2.8VB1 met AK351 kogelkoppeling voor 3500kg aanhanger met vierkante dissel
De oplooprem 2.8VB1 van AL-KO is een veelzijdige oplossing ontworpen voor geremde aanhangwagens en takelwagens met een vierkante dissel van 120 mm, met een totaalgewicht van 2500 kg tot 3500 kg . Hij wordt gekenmerkt door een maximaal toegestane verticale belasting van 150 kg, wat zorgt voor een optimale verdeling van de belasting tussen de aanhangwagen en het trekkende voertuig. De 2.8VB1- is uitgerust met een kogelkoppeling AK 351 , die zorgt voor een stabiele en veilige verbinding met het voertuig, en is compatibel met het AL-KO 2361 remmechanisme.
De oploopinrichting is een geavanceerde oplossing die de veiligheid en het comfort tijdens het rijden met een aanhanger of takelwagen aanzienlijk verbetert . Dankzij het gebruik ervan is het mogelijk om de remweg te verkorten en een stabiel rijrichting te behouden bij het remmen . Het apparaat remt het getrokken voertuig automatisch af door samen te werken met het remsysteem van de auto, dat de werking ervan ondersteunt en de vlotheid van het verkeer beïnvloedt. Het gebruik van een oplooprem vergroot niet alleen de verkeersveiligheid, maar draagt ook bij aan het verminderen van slijtage van het remsysteem in het trekkende voertuig. Bovendien is deze ook uiterst functioneel wanneer het voertuig stilstaat, zodat het effectief kan worden geblokkeerd tegen vooruit of achteruit rollen.

AK 351 kogelkoppeling
De gemonteerde kogelkoppeling AK 351 van AL-KO zorgt voor een solide en veilige verbinding met het trekkende voertuig. Het is gemaakt van robuust gietijzer en biedt maximale duurzaamheid en belastbaarheid. Bovendien is de trekhaak uitgerust met geavanceerde veiligheidssystemen: een slijtage-indicator , die aangeeft wanneer de onderdelen moeten worden vervangen, een indicator voor de juiste koppeling , die zorgt voor een correcte aankoppeling en bescherming tegen onjuiste koppeling , waardoor het risico van per ongeluk loskoppelen tijdens het rijden wordt geëlimineerd.

Corrosiebescherming
De oploopinrichting met een thermisch verzinkte stalen behuizing maakt gebruik van geavanceerde corrosiebeschermingstechnologie. Het galvanisatieproces creëert een duurzame coating op het gehele oppervlak van het element, waardoor het effectief wordt beschermd tegen roest, corrosie en mechanische schade. De behuizing is bestand tegen extreme weersomstandigheden, waaronder vocht, strooizout en temperatuurschommelingen , wat cruciaal is voor apparaten die voortdurend worden blootgesteld aan zware wegomstandigheden. Dankzij deze bescherming behoudt de oploopinrichting zijn eigenschappen langdurig, waardoor de noodzaak voor onderhoud en vervanging tot een minimum wordt beperkt. Dit vertaalt zich in langdurige zuinigheid en betrouwbaarheid bij het gebruik van de trailer.
Bij aankoop van elk product uit ons assortiment krijg je 2 jaar garantie. Op deze manier kun je het gebruiken zonder je zorgen te maken over de gevolgen van een eventuele storing. Met het oog op jouw tevredenheid hebben we het proces voor het indienen van een eventuele klacht zo eenvoudig mogelijk gemaakt - het enige wat je hoeft te doen is het formulier dat beschikbaar is op onze website in te vullen en op te sturen.
Heb je vragen over de keuze of het gebruik van onze producten? Neem contact met ons op! De specialisten van Unitrailer geven je graag alle informatie.

















