AL-KO COMPACT geremde as voor aanhanger/drager 1350kg 1100mm 1550mm 5x112
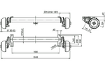
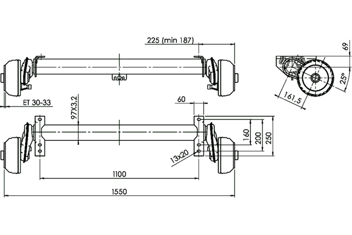
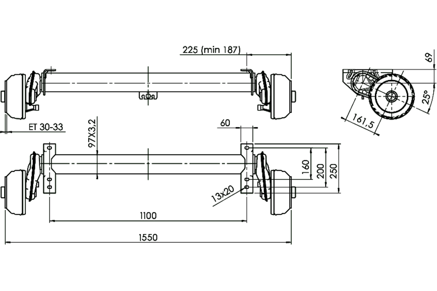
- De AL-KO COMPACT geremde as is ontworpen voor zware aanhangers en diepladers, met een maximaal draagvermogen van 1.350 kg voor een enkele as en 2.700 kg voor een tandemas. Hij heeft een bevestigingsgatafstand van 1.100 mm, een naafafstand van 1.550 mm en
AL-KO COMPACT geremde as voor aanhanger/drager 1350kg 1100mm 1550mm 5x112
De geremde as van AL-KO is ontworpen voor zware aanhangers of diepladers met een maximaal draagvermogen van 1.350 kg voor een enkele as en 2.700 kg voor een tandemas. De afstand tussen de bevestigingsgaten bedraagt 1.100 mm en de naafafstand 1.550 mm , wat een eenvoudige montage op een breed scala aan voertuigen mogelijk maakt. Het boutpatroon 5x112 garandeert compatibiliteit met een breed scala aan wielen op de markt. De swingarmlengte is 161,5 mm, wat zorgt voor stabiliteit en optimale schokabsorptie, wat de rijveiligheid verhoogt, zelfs bij volledige belading.
Assen vormen de structurele basis van elke trailer en zorgen voor stabiliteit, duurzaamheid en voldoende schokabsorptie tijdens transport. Ze zijn een essentieel element voor het veilig vervoeren van diverse ladingen . De keuze van de juiste assen is cruciaal, omdat deze de veiligheid, het rijcomfort en de duurzaamheid van het gehele transportsysteem beïnvloedt. Goede schokabsorptie helpt de vervoerde goederen te beschermen tegen schade, terwijl het juiste laadvermogen zorgt voor stabiliteit tijdens het rijden, vooral onder moeilijke omstandigheden.

Aanhangwagenassen – veelzijdige toepassingen
Aanhangwagenassen onderscheiden zich door hun veelzijdigheid, waardoor ze geschikt zijn voor diverse voertuigen, zoals aanhangwagens voor vrachtwagens, caravans, diepladers en aanhangers voor vee en materieel. Hun universele ontwerp maakt aanpassing aan diverse transportomstandigheden mogelijk, ongeacht het type lading dat wordt vervoerd. Deze assen bieden stabiliteit, veiligheid en rijcomfort, waardoor ze een betrouwbare oplossing vormen voor zowel dagelijks gebruik als meer gespecialiseerde taken. De mogelijkheid om extra componenten, zoals schokdempers, te installeren, maakt verdere optimalisatie van hun prestaties mogelijk, waardoor de aanhangwagen kan worden afgestemd op individuele behoeften.
Onafhankelijke vering en onderhoudsvrij
Dankzij de onafhankelijke wielophanging wordt elk wiel afzonderlijk gedempt, waardoor oneffenheden in het wegdek alleen effect hebben op de kant waar het wiel zich bevindt. Dit systeem is onderhoudsvrij en vereist geen onderhoud, waardoor gebruikers besparen op service- en onderhoudskosten. Bovendien elimineert het asontwerp het risico op schade aan de wielkast en andere componenten door overmatige swingarmrotatie, zelfs bij zware belasting.
Rijcomfort dankzij het geavanceerde veersysteem
Moderne assen, zoals die met het AL-KO hexagonale veersysteem met rubberen rollen, bieden een aanzienlijk verbeterd rijcomfort. Grote uitwijkhoeken en een zachtere demping zorgen voor een soepelere rit en verminderen trillingen effectief. Vergeleken met standaard gestuurde assystemen zorgt deze vering voor een effectievere demping van oneffenheden in het wegdek, wat het comfort en de veiligheid van de bestuurder verhoogt.

Geavanceerd remontwerp en eenvoudig onderhoud
Het geavanceerde remontwerp bestaat uit assen met remtrommels die zijn uitgerust met koelribben. Deze zorgen voor een betere warmteafvoer en verhogen de efficiëntie van het remsysteem. Bovendien zijn de assen en remmechanismen geschroefd, waardoor het volledige remmechanisme eenvoudig kan worden verwijderd na het losdraaien van de bouten, wat het onderhoud aanzienlijk vereenvoudigt. Dankzij de speciale overbrenging kan de positie van de remkabeluitgang worden aangepast aan de individuele behoeften van de gebruiker, wat de functionaliteit van het systeem verbetert.

Onderhoudsvrije lagers en eenvoudige montage
De assen zijn uitgerust met dubbele hoekcontactkogellagers (compacte lagers) met een levensduur van 250.000 km. Ze zijn levenslang gesmeerd met een speciaal waterafstotend vet, waardoor er geen vuil kan binnendringen. Extra veiligheidsvoorzieningen, zoals dubbele naafafdichtingen, beschermen de mechanismen tegen water en vuil. Het gestandaardiseerde koppel maakt de montage van de assen snel en eenvoudig.
Optimale bescherming tegen corrosie
Het asprofiel, het frame en de behuizing van de oplooprem zijn beschermd tegen corrosie door middel van thermisch verzinken, wat een bescherming van 10 jaar garandeert. Stalen componenten die een hoge precisie vereisen, worden verzinkt en bieden 5 jaar corrosiebescherming. Voor de meest precieze onderdelen wordt elektrolytisch verzinken toegepast, wat 4 jaar bescherming biedt. Deze verschillende verzinkingsmethoden beschermen alle componenten effectief en garanderen een lange levensduur en bestendigheid tegen externe factoren.
Bij aankoop van elk product uit ons assortiment krijg je 2 jaar garantie. Op deze manier kun je het gebruiken zonder je zorgen te maken over de gevolgen van een eventuele storing. Met het oog op jouw tevredenheid hebben we het proces voor het indienen van een eventuele klacht zo eenvoudig mogelijk gemaakt - het enige wat je hoeft te doen is het formulier dat beschikbaar is op onze website in te vullen en op te sturen.
Heb je vragen over de keuze of het gebruik van onze producten? Neem contact met ons op! De specialisten van Unitrailer geven je graag alle informatie.



















