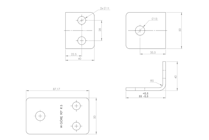
Aanbouw van de UNITRAILER zwengellift voor het laden/lossen van de aanhangwagen
- Het bevestigen van de zwengellift aan de aanhanger. Hierdoor monteert u de lift eenvoudig en snel aan het frame van uw aanhangwagen.
Het bevestigen van de zwengellift aan de aanhanger

Garantie
Bij aankoop van elk product uit ons assortiment krijg je 2 jaar garantie. Op deze manier kun je het gebruiken zonder je zorgen te maken over de gevolgen van een eventuele storing. Met het oog op jouw tevredenheid hebben we het proces voor het indienen van een eventuele klacht zo eenvoudig mogelijk gemaakt - het enige wat je hoeft te doen is het formulier dat beschikbaar is op onze website in te vullen en op te sturen.
Hulp
Heb je vragen over de keuze of het gebruik van onze producten? Neem contact met ons op! De specialisten van Unitrailer geven je graag alle informatie.
Beschrijving
Fabrikant
Productcode
UT000484
EAN
5904553988882
Catalogusnummer van de fabrikant
127.102.01.01
Garantie
Garantie
24 maanden
Verantwoordelijke entiteit
Entiteit die verantwoordelijk is voor dit product in de EU
UNITRAILER Sp. z o.omeer
Adres:
Budowlana 30Postcode: 20-469Stad: LublinLand: PologneE-mailadres: gpsr@unitrailer.com
Laat uw mening achter















